Trawsnewidydd wedi'i osod ar bolyn un cam 15 kVA
Oes gennych chi gwestiynau? Mae cynrychiolwyr gwerthu gnee ar gael ar gyfer sgwrs fyw nawr
Anfon E-bost:sales@gneeelectric.com
Ffôn:+8615824687445
Daw'r newidydd 15 kVA hwn wedi'i osod ar bolyn mewn cyfluniad un cam gyda sgôr foltedd o 25-37 . 5 kV ar yr ochr gynradd a 120-480 V ar yr ochr eilaidd . Mae creiddiau'r uned yn cael eu gwneud o ddur graen-silic Mae newidydd wedi'i osod ar bolyn yn effeithlon iawn o ran ynni gydag allyriadau gwres is, gan arwain at lai o ofynion oeri.
Gall newidydd polyn un cam math confensiynol 15kva GNEE ddarparu amrywiaeth o fanylebau dewisol yn unol â gwahanol ofynion cais i sicrhau ei ddibynadwyedd a'i effeithlonrwydd o dan amrywiol systemau pŵer, amodau amgylcheddol a gofynion gweithredu arbennig . Gellir dewis lefel foltedd uchel (HV) 2k, 13K, 13} o 11k, 19.92kV, 22kV, 33kV, etc. to adapt to the power grid requirements of different countries and regions. The low voltage side (LV) voltage level can be selected from 240/120V, 220/110V, 400/230V, 480V, etc. to meet the needs of different electrical equipment.
Mae'r dosbarth inswleiddio yn cwrdd â gofynion dosbarth A (105 gradd), dosbarth B (130 gradd), a dosbarth F (gradd 155) i fodloni gwahanol ofynion tymheredd gweithredu . Gellir dewis y cyfrwng inswleiddio o olew mwynol, olew silicon, ac mewnlifiad naturiol (FR3 Lefel sy'n gyfeillgar i'r amgylchedd) yn unol â gofynion amgylcheddol}}} y gofyniad 75kV, 95kV, 125kV neu'n uwch i sicrhau dibynadwyedd y newidydd o dan fellt a newid amodau gor -foltedd .
Er mwyn sicrhau proses gyflenwi esmwyth a chost-effeithiol, rydym wedi trefnu a phacio'r holl drawsnewidyddion yn ofalus i ffitio'n berffaith i mewn i un cynhwysydd 40hq, gan symleiddio logisteg a lleihau treuliau cludo cyffredinol .
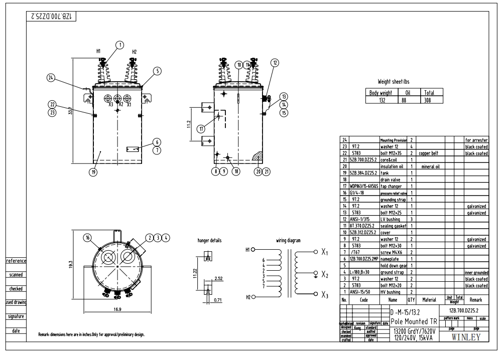
15 KVA Manylebau Trawsnewidydd wedi'u Mowntio
| 15 KVA Manylebau Trawsnewidydd wedi'u Mowntio | ||||
| Sgôr pŵer | 15 kva | Troellog hv/lv | Alwminiwm | |
| Foltedd | 21.6 kv | Dim Colled Llwyth | 55w | |
| Foltedd | 120/240V | Ar golled llwyth | 153w | |
| Bil HV | 125kv | Amledd | 60Hz | |
| Lv bil | 30kv | Lliwiff | Llwyd#70 | |
| Hyd | 620mm | Tanc a Accesories | 130kg | |
| Lled | 700mm | Pwysau olew | 75kg | |
| Uchder | 880mm | Cyfanswm y pwysau | 255kg | |
| Polaredd | Ychwanegion | Rhwystriant | 2.00% | |
Cysylltwch â Gnee Transformer i gael gofynion arbennig
- Ffôn: +86-15824687445
- E -bost: sales@gneesteels.com
15 kva ategolion trawsnewidyddion wedi'u gosod ar bolyn
| 15 kva ategolion trawsnewidyddion wedi'u gosod ar bolyn | |
| Alwai | QTY |
| Bushing foltedd uchel | 2 |
| Bushing foltedd isel | 3 |
| Nameplat | 1 |
| Suport lug | 2 |
| Newidiwr Tap | 1 |
| Tir tanc | 2 |
| Rhyddhad Gwasgfa | 1 |
| Clamp gorchudd | 8 |
| Lug lug | 2 |
| Copr | 1 |
| Falf llenwi olew | 1 |
| Falf draen olew gyda sampler | 1 |
Olew Trawsnewidydd Cam Un Dosbarthu Uwchben 15kva wedi'i DrochiTrawsnewidydd yw strwythur selio silindr . Mae pob un yn sefydlog gyda dyfeisiau sylfaen, bachau, cefnogi lugiau porthiant sy'n cydymffurfio â safon ANSI, a dylai un neu ddau o fws foltedd uchel ar y clawr, foltedd isel bushing ar wal y tanc ar ôl y sail tap ar ôl y sail}}}}}}}} Mae'r terfynau}}}}} y terfynau, yn cysylltu, bod y terfynau { OFF .

15 kva llun newidydd polyn un cam wedi'i osod

Trawsnewidydd polyn un cam 15 kVA ar werth
1.15kva 21.6kv Transformer wedi'i osod ar bolyn
Mae'r newidydd polyn un cam un cam 15 kVA o ansawdd uchel o ansawdd uchel o ansawdd uchel wedi'i osod ar bolyn 15 kVA o ansawdd uchel.
Mae'r trawsnewidydd Gnee -15/21 . 6/0.24 (0.12) yn trosi pŵer yn effeithlon o foltedd uchel o 21.6 kV i foltedd isel o 240V (120V), gan arlwyo i gymwysiadau amrywiol.
Mae ei ystod rheoleiddio foltedd helaeth (21,600V i 22,680V) yn sicrhau foltedd allbwn cyson a sefydlog, gan gyflawni perfformiad dibynadwy hyd yn oed o dan lwythi anwadal . ar gyfer inswleiddio ac amddiffyniad cadarn, mae'r newidydd yn cynnwys lefel inswleiddio sylfaenol yn erbyn sgîl -ochr a 30 KV, sugno KV, sgwâr uchel, o sgîl -ochr uchel, o 125 kV, o 125 kV, o 125 KV, o 125 KV, sicrhau gwydnwch tymor hir wrth fodloni safonau diogelwch beirniadol .
2.15kva 14.4kv Transformer wedi'i osod ar bolyn
Yn cynnwys foltedd uchel o 14 . 4 kV a foltedd isel o 240V (120V), sgôr pŵer 15 kVA . y 15/14 . 4 (24.94) /0.24 (0.12) Mae pŵer yn cael ei glymu â phwer a chynnal y pŵer. Mae'r dirwyniadau foltedd uchel ac isel yn cael eu crefftio o alwminiwm gwydn, gan sicrhau perfformiad uwch a hirhoedledd.
Mae'r newidydd wedi'i ddylunio gyda pholaredd ychwanegyn, gan sicrhau cydnawsedd di -dor ac ymarferoldeb gwell yn eich system dosbarthu pŵer .
Gydag ystod rheoleiddio foltedd o 13680V i 15120V, mae'r newidydd hwn yn gwarantu allbwn foltedd sefydlog a chyson, gan gyflawni'r perfformiad gorau posibl o dan amodau llwyth amrywiol . Mae ei bil trawiadol (lefel inswleiddio sylfaenol) o 95 kV a 30 kV yn sicrhau bod yn ddi -fymdra, yn cael eu hamddiffyn, yn cael eu hamddiffyn, yn cael eu hamddiffyn, yn sicrhau bod y 55 kV yn cael eu hamddiffyn,
Yr hylif inswleiddio a ddefnyddir yw olew mwynol o ansawdd uchel, dim PCB, yn hyrwyddo gweithrediad diogel ac yn gyfeillgar i'r amgylchedd . Mae'r system oeri yn cyflogi'r dull ONAn (Aer Naturiol Naturiol Olew), gan afradu gwres yn effeithiol a chynnal effeithlonrwydd y newidydd .
Ar ben hynny, mae'r newidydd 15kva 14 . 4 kV yn dod â dau lwyn foltedd uchel a thri bushings foltedd isel, gan gynnig opsiynau cysylltedd hyblyg . Mae'r bushings foltedd isel yn cael eu hategu trwy seilio bariau copr gwella, sicrhau diogelwch gwella.
Ar gyfer cymwysiadau tri cham, gellir cyfuno tri thrawsnewidwyr polyn un cam 14 . 4 kV yn effeithiol i ddarparu pŵer ar 24.94 kV, gan arlwyo i anghenion amrywiol setiau diwydiannol a chyfleustodau.
3.15kva 7.2kv polyn Trawsnewidydd wedi'i osod
Mae gan y newidydd hwn allu cadarn o 15 kVA, gan ei gwneud yn ddelfrydol ar gyfer cymwysiadau amrywiol . gyda sgôr foltedd sylfaenol o 7 . 2 kV (12.47 kV) a sgôr foltedd eilaidd o 120V (240V), mae'r trawsnewidiad hwn yn sicrhau bod y trawsnewidydd hwn.
I ddarparu ar gyfer gwahanol gysylltiadau a chymwysiadau, y 15/7.2 (12.47) /0.24 (0.12)Newidydd dosbarthu uwchbenYn dod â dau lwyn foltedd uchel a thri bushings foltedd isel, gyda dyluniad sylfaen foltedd isel ar gyfer diogelwch gwell .
Gydag ystod rheoleiddio foltedd cam rhyfeddol yn rhychwantu o 6840V i 7560V, mae'r newidydd hwn yn gwarantu rheolaeth foltedd dibynadwy a chyson, gan sicrhau dosbarthiad pŵer sefydlog ar draws llwythi amrywiol .
Ar ben hynny, mae'r trawsnewidydd gorbenion un cam llawn un cam 15/7 . 2 (12.47)/
Trawsnewidydd wedi'i Fowntio Polyn 4.15kva 19.2kv
Mae'r dosbarthwr yn Honduras wedi gosod archeb ar gyfer 80 uned o'r 25/19 . 92/0 . 24 (0 . 12) trawsnewidyddion. Gyda sgôr foltedd sylfaenol o 19.92 kV a sgôr foltedd eilaidd o 240 (120) V. Mae'r trawsnewidyddion hyn yn addas iawn ar gyfer cymwysiadau cyfleustodau a diwydiannol amrywiol, gan ddarparu trawsnewid foltedd effeithlon a sefydlog i ddiwallu anghenion amrywiol marchnad Honduran.
Mae'r newidydd 15KVA yn cynnwys dadbolariad ac yn defnyddio'r grŵp fector IIO, gan sicrhau llif pŵer effeithlon a di -dor, a gwella perfformiad a sefydlogrwydd cyffredinol yn y rhwydwaith dosbarthu .
5. Trawsnewidydd wedi'i osod ar bolyn 15kva arall y gallwn hefyd ei gyflenwi
- 15 kva 24.94kv Transformer wedi'i osod ar bolyn
- 15 KVA 19.2kv Polyn Trawsnewidydd wedi'i Fowntio
- 15 KVA 12.47kv Transformer wedi'i Fowntio
Canolfan Profi Dylunio Trawsnewidydd wedi'u Gosod Polyn
Bydd yr holl newidydd yn cael ei brofi ar ôl gorffen y cynhyrchiad, Prawf Eitemau fel isod:
♦ Ffactor pŵer inswleiddio
♦ Cymhareb, polaredd a pherthynas cyfnod
♦ Gwrthiant troellog
♦ Profion Impulse
♦ Ar brawf colli llwyth
♦ Dim prawf colli llwyth
♦ Prawf gollwng
♦ Prawf gwrthiant inswleiddio DC
♦ Trawsnewidydd Cymhareb Troi/TTR (pob folt tap)
♦ Colli foltedd a llwyth rhwystriant (foltedd graddedig)
♦ Polaredd, 1- pH
♦ Cyffroi a cholled dim llwyth (foltedd graddedig)
♦ foltedd cymhwysol
♦ Foltedd ysgogedig
♦ Mellt impulse
♦ Gwrthiant inswleiddio (foltedd graddedig)
♦ Codi tymheredd
♦ Gwrthsefyll dielectrig (hipot)

Tagiau poblogaidd: 15 kva newidydd polyn un cam, llestri 15 kva gweithgynhyrchwyr trawsnewidyddion polyn un cam, cyflenwyr, ffatri
You Might Also Like
Anfon ymchwiliad



















